HOME > Oリング製品案内 > JISB 2401-1 V
豊富な材料・硬度のラインナップであらゆるご要望にお答えいたします。
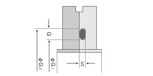
Οリング寸法
(単位:mm)
| 呼び番号 | Oリングの寸法 | |||||
|---|---|---|---|---|---|---|
| 太さ W |
内径 ID |
内径IDの許容差 | 外径 OD |
|||
| NBR-70-1 NBR-90 NBR-70-2 EPDM-70 |
VMQ-70 | FKM-70 | ||||
| V15 | 4.0±0.10 | 14.5 | ±0.20 | ±0.30 | ±0.24 | 22.5 |
| V24 | 23.5 | ±0.24 | ±0.36 | ±0.29 | 31.5 | |
| V34 | 33.5 | ±0.33 | ±0.50 | ±0.40 | 41.5 | |
| V40 | 39.5 | ±0.37 | ±0.56 | ±0.44 | 47.5 | |
| V55 | 54.5 | ±0.49 | ±0.74 | ±0.59 | 62.5 | |
| V70 | 69.0 | ±0.61 | ±0.92 | ±0.73 | 77.0 | |
| V85 | 84.0 | ±0.72 | ±1.08 | ±0.86 | 92.0 | |
| V100 | 99.0 | ±0.83 | ±1.25 | ±1.00 | 107.0 | |
| V120 | 119.0 | ±0.97 | ±1.46 | ±1.16 | 127.0 | |
| V150 | 148.5 | ±1.18 | ±1.77 | ±1.42 | 156.5 | |
| V175 | 173.0 | ±1.36 | ±2.04 | ±1.63 | 181.0 | |
| V225 | 6.0±0.15 | 222.5 | ±1.70 | ±2.55 | ±2.04 | 234.5 |
| V275 | 272.0 | ±2.02 | ±3.03 | ±2.42 | 284.0 | |
| V325 | 321.5 | ±2.34 | ±3.51 | ±2.81 | 333.5 | |
| V380 | 376.0 | ±2.68 | ±4.02 | ±3.22 | 388.0 | |
| V430 | 425.5 | ±2.99 | ±4.49 | ±3.59 | 437.5 | |
| V480 | 10.0±0.30 | 475.0 | ±3.30 | ±4.95 | ±3.96 | 495.0 |
| V530 | 524.5 | ±3.60 | ±5.40 | ±4.32 | 544.5 | |
| V585 | 579.0 | ±3.92 | ±5.88 | ±4.70 | 599.0 | |
| V640 | 633.5 | ±4.24 | ±6.36 | ±5.09 | 655.5 | |
| V690 | 683.0 | ±4.54 | ±6.81 | ±5.45 | 703.0 | |
| V740 | 732.5 | ±4.83 | ±7.25 | ±5.80 | 752.5 | |
| V790 | 782.0 | ±5.12 | ±7.68 | ±6.14 | 802.0 | |
| V845 | 836.5 | ±5.44 | ±8.16 | ±6.53 | 856.5 | |
| V950 | 940.5 | ±6.06 | ±9.09 | ±7.27 | 960.5 | |
| V1055 | 1044.0 | ±6.67 | ±10.01 | ±8.00 | 1064.0 | |